Belgique

Nous travaillons en partenariat avec de nombreux concessionnaires officiels Kymco à travers le monde.
Vous pouvez sélectionner le pays de votre choix parmi ceux proposés dans la liste ci-dessous, quel que soit votre choix, nous pouvons vous livrer dans le monde entier !

kxr maxxer 250 300 Manuel atelier : Page 248

Microfiches
Saisissez la référence relevée ci-dessus
Image preview

Page 245

Image preview

Page 246

Image preview

Page 247

Image preview

Page 249

1 5 10 15 20 25 30 35 40 45 50 55 60 65 70 75 80 85 90 95 100 105 110 115 120 125 130 135 140 145 150 155 160 165 170 175 180 185 190 195 200 205 210 215 220 225 230 235 240 245 249
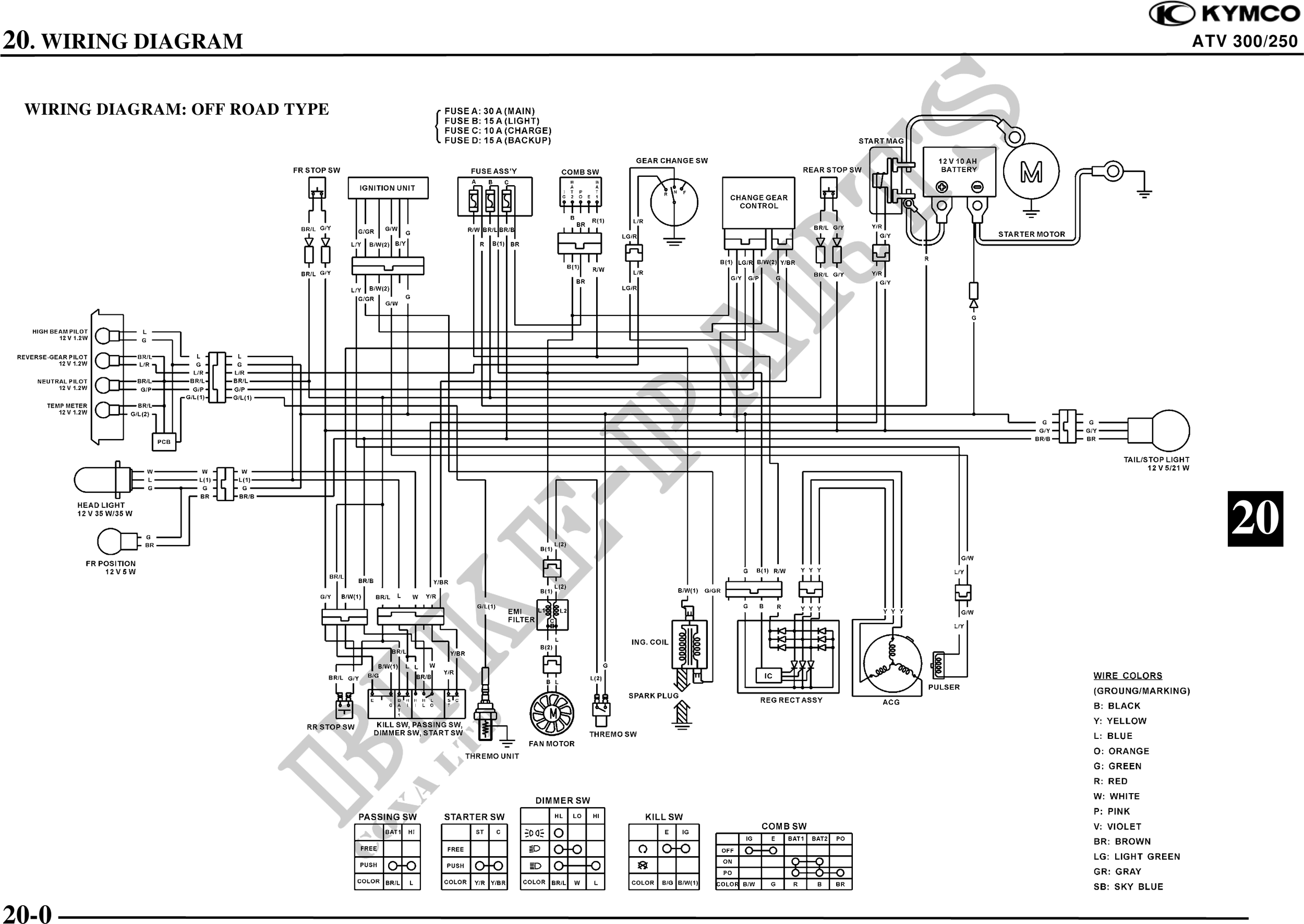
          20. WIRING DIAGRAM               ATV 300/250


20
 WIRING DIAGRAM: OFF ROAD TYPE




                                     20




20-0