Belgique

Nous travaillons en partenariat avec de nombreux concessionnaires officiels Kymco à travers le monde.
Vous pouvez sélectionner le pays de votre choix parmi ceux proposés dans la liste ci-dessous, quel que soit votre choix, nous pouvons vous livrer dans le monde entier !

mxu 250 300 Manuel atelier : Page 27

Microfiches
Saisissez la référence relevée ci-dessus
Image preview

Page 25

Image preview

Page 26

Image preview

Page 28

Image preview

Page 29

1 5 10 15 20 25 30 35 40 45 50 55 60 65 70 75 80 85 90 95 100 105 110 115 120 125 130 135 140 145 150 155 160 165 170 175 180 185 190 195 200 205 210 215 220 225 230 235 240 245 250 255 260 265 270 275 280 285 290 295 300 305 310 315 320 325 330 335 340 345 350 352
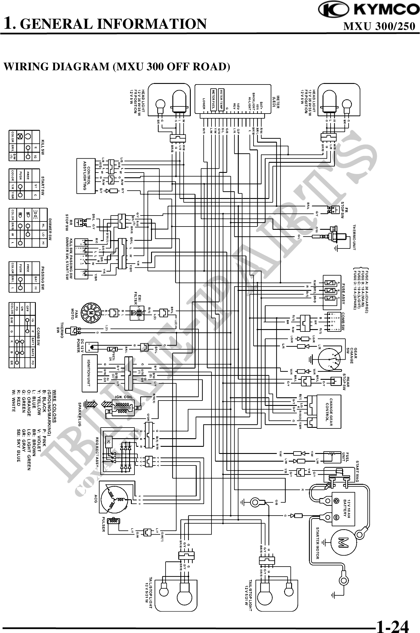
          1. GENERAL INFORMATION              MXU 300/250


WIRING DIAGRAM (MXU 300 OFF ROAD)




                                        1-24