Belgique

Nous travaillons en partenariat avec de nombreux concessionnaires officiels Kymco à travers le monde.
Vous pouvez sélectionner le pays de votre choix parmi ceux proposés dans la liste ci-dessous, quel que soit votre choix, nous pouvons vous livrer dans le monde entier !

uxv 500 Manuel atelier : Page 442

Microfiches
Saisissez la référence relevée ci-dessus
Image preview

Page 440

Image preview

Page 441

Image preview

Page 443

Image preview

Page 444

1 5 10 15 20 25 30 35 40 45 50 55 60 65 70 75 80 85 90 95 100 105 110 115 120 125 130 135 140 145 150 155 160 165 170 175 180 185 190 195 200 205 210 215 220 225 230 235 240 245 250 255 260 265 270 275 280 285 290 295 300 305 310 315 320 325 330 335 340 345 350 355 360 365 370 375 380 385 390 395 400 405 410 415 420 425 430 435 440 445 450 455 460 462
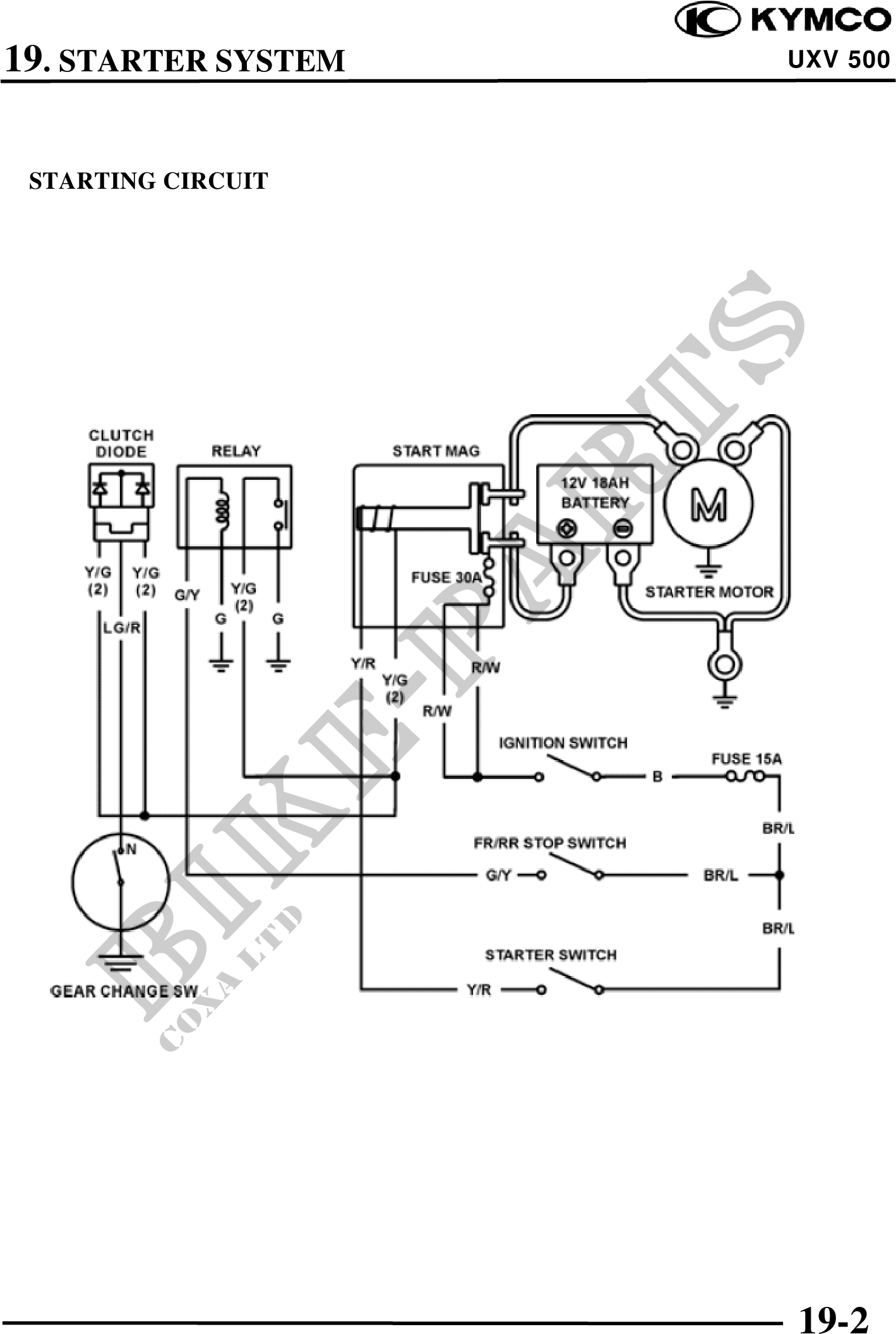
          19. STARTER SYSTEM   UXV 500



 STARTING CIRCUIT




                     19-2