Nous travaillons en partenariat avec de nombreux concessionnaires officiels Kymco à travers le monde.
Vous pouvez sélectionner le pays de votre choix parmi ceux proposés dans la liste ci-dessous, quel que soit votre choix, nous pouvons vous livrer dans le monde entier !
Nous travaillons en partenariat avec de nombreux concessionnaires officiels Kymco à travers le monde.
Vous pouvez sélectionner le pays de votre choix parmi ceux proposés dans la liste ci-dessous, quel que soit votre choix, nous pouvons vous livrer dans le monde entier !
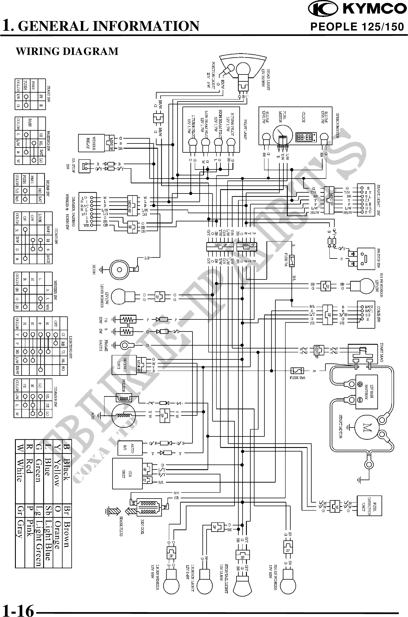
1. GENERAL INFORMATION PEOPLE 125/150
WIRING DIAGRAM
1-16
Nous utilisons des cookies sur notre site pour réaliser des statistiques de visites. En cliquant sur J'accepte ou en poursuivant sur ce site vous acceptez l'utilisation de ces cookies.